|
«Վավերացնում եմ» |
ՀԱՅԱՍՏԱՆԻ ՀԱՆՐԱՊԵՏՈՒԹՅԱՆ ԿԱՌԱՎԱՐՈՒԹՅՈՒՆ
Ո Ր Ո Շ ՈՒ Մ
4 օգոստոսի 2005 թվականի N 1396-Ն
ՀԱՅԱՍՏԱՆԻ ՀԱՆՐԱՊԵՏՈՒԹՅԱՆ ՍՅՈՒՆԻՔԻ ՄԱՐԶԻ ԱՐԵՎԻՍԻ ԳՅՈՒՂԱԿԱՆ ՀԱՄԱՅՆՔԻ ՎԱՐՉԱԿԱՆ ՍԱՀՄԱՆՆԵՐԻ ՆԿԱՐԱԳԻՐԸ ՀԱՍՏԱՏԵԼՈՒ ԵՎ ԱՐԵՎԻՍԻ ԳՅՈՒՂԱԿԱՆ ՀԱՄԱՅՆՔԻ ՎԱՐՉԱԿԱՆ ՍԱՀՄԱՆՆԵՐՈՒՄ ԳՏՆՎՈՂ` ՊԵՏԱԿԱՆ ՍԵՓԱԿԱՆՈՒԹՅՈՒՆ ՀԱՆԴԻՍԱՑՈՂ ՀՈՂԱՄԱՍԵՐՆ ԱՆՀԱՏՈՒՅՑ ՍԵՓԱԿԱՆՈՒԹՅԱՆ ԻՐԱՎՈՒՆՔՈՎ ՀԱՄԱՅՆՔԻՆ ՓՈԽԱՆՑԵԼՈՒ ՄԱՍԻՆ
Հայաստանի Հանրապետության հողային օրենսգրքի 34-րդ ու 56-րդ, «Տեղական ինքնակառավարման մասին» Հայաստանի Հանրապետության օրենքի 6-րդ, 47-րդ ու 84-րդ և «Հայաստանի Հանրապետության վարչատարածքային բաժանման մասին» Հայաստանի Հանրապետության օրենքի 6-րդ հոդվածների պահանջներին համապատասխան` Հայաստանի Հանրապետության կառավարությունը որոշում է.
1. (կետն ուժը կորցրել է 14.10.10 N 1359-Ն)
2. Հայաստանի Հանրապետության Սյունիքի մարզի Արևիսի գյուղական համայնքի վարչական սահմաններում գտնվող՝ պետական սեփականություն հանդիսացող 1795.35 հեկտար հողամասերից 920.48 հեկտարը, որից՝ գյուղատնտեսական նշանակության 910.18 հեկտար, բնակավայրերի հողերի՝ 8.24 հեկտար, արդյունաբերության, ընդերքօգտագործման և այլ արտադրական նշանակության օբյեկտների՝ 2.05 հեկտար, էներգետիկայի, տրանսպորտի, կապի և կոմունալ ենթակառուցվածքների օբյեկտների՝ 0.01 հեկտար, անհատույց սեփականության իրավունքով փոխանցել Արևիսի գյուղական համայնքին՝ համաձայն NN 3, 4, 5 և 6 հավելվածների:
3. Սահմանել, որ Հայաստանի Հանրապետության հողային օրենսգրքի 60-րդ հոդվածի պահանջներին համապատասխան՝
ա) Հայաստանի Հանրապետության Սյունիքի մարզի Արևիսի գյուղական համայնքին անհատույց սեփականության իրավունքով փոխանցվող 920.48 հեկտար հողերից 27.13 հեկտարը մասնավորեցման ենթակա չէ.
բ) Հայաստանի Հանրապետության Սյունիքի մարզի Արևիսի գյուղական համայնքի վարչական սահմաններում գտնվող հողերից 874.87 հեկտարը համարվում է պետական սեփականություն` համաձայն N 7 հավելվածի:
4. Ընդունել ի գիտություն Հայաստանի Հանրապետության Սյունիքի մարզի Արևիսի գյուղական համայնքի հողային ֆոնդի առկայության և բաշխման մասին հաշվետվությունը՝ 2005 թվականի հունվարի 1-ի դրությամբ՝ համաձայն NN 8 և 9 հավելվածների:
5. Հայաստանի Հանրապետության կառավարությանն առընթեր անշարժ գույքի կադաստրի պետական կոմիտեի նախագահին` սահմանված կարգով ապահովել սկզբնական հաշվառման նյութերի տրամադրումը Հայաստանի Հանրապետության Սյունիքի մարզի Արևիսի գյուղական համայնքի ղեկավարին՝ հողերի ընթացիկ հաշվառումն անցկացնելու և համայնքի հողային հաշվեկշիռը կազմելու համար:
6. Թույլատրել Հայաստանի Հանրապետության կառավարությանն առընթեր անշարժ գույքի կադաստրի պետական կոմիտեի նախագահին Հայաստանի Հանրապետության պետական գեոդեզիական ցանցի հավասարակշռման արդյունքների հիման վրա Հայաստանի Հանրապետության վարչատարածքային միավորների սահմանանիշերի կոորդինատների ժողովածուի հրատարակումից հետո հողային ֆոնդի ընթացիկ հաշվառման ժամանակ Հայաստանի Հանրապետության Սյունիքի մարզի Արևիսի գյուղական համայնքի հողային հաշվեկշռում սահմանված կարգով կատարել համապատասխան փոփոխություններ:
7. Հայաստանի Հանրապետության Սյունիքի մարզպետին՝ Հայաստանի Հանրապետության կառավարության 2000 թվականի հոկտեմբերի 23-ի N 656 որոշմամբ սահմանված կարգով՝ սկզբնական հաշվառման տվյալների հիման վրա ապահովել մարզի տարածքում ընթացիկ հաշվառման աշխատանքների իրականացումը:
8. Սույն որոշումն ուժի մեջ է մտնում պաշտոնական հրապարակմանը հաջորդող օրվանից։
|
Հայաստանի Հանրապետության |
Ա. Մարգարյան |
|
|
|
Հավելված N 1 |
ՀԱՅԱՍՏԱՆԻ ՀԱՆՐԱՊԵՏՈՒԹՅԱՆ ՍՅՈՒՆԻՔԻ ՄԱՐԶԻ ԱՐԵՎԻՍԻ ԳՅՈՒՂԱԿԱՆ ՀԱՄԱՅՆՔԻ ՎԱՐՉԱԿԱՆ ՍԱՀՄԱՆՆԵՐԻ ՀԱՏԱԿԱԳԻԾԸ
(հավելվածն ուժը կորցրել է 14.10.10 N 1359-Ն)
|
Հավելված N 2 |
ՀԱՅԱՍՏԱՆԻ ՀԱՆՐԱՊԵՏՈՒԹՅԱՆ ՍՅՈՒՆԻՔԻ ՄԱՐԶԻ ԱՐԵՎԻՍԻ ԳՅՈՒՂԱԿԱՆ ՀԱՄԱՅՆՔԻ ՎԱՐՉԱԿԱՆ ՍԱՀՄԱՆՆԵՐԻ ՆԿԱՐԱԳՐՈՒԹՅՈՒՆԸ
(հավելվածն ուժը կորցրել է 14.10.10 N 1359-Ն)
|
Հավելված N 3 |
ՀԱՅԱՍՏԱՆԻ ՀԱՆՐԱՊԵՏՈՒԹՅԱՆ ՍՅՈՒՆԻՔԻ ՄԱՐԶԻ ԱՐԵՎԻՍԻ ԳՅՈՒՂԱԿԱՆ ՀԱՄԱՅՆՔԻ ՀՈՂԱՇԻՆԱՐԱՐԱԿԱՆ ՀԱՏԱԿԱԳԻԾԸ
|
Հայաստանի Հանրապետության |
Մ. Թոփուզյան |
|
Հավելված N 4 |
Ա Ն Վ Ա Ն Ա Ց Ա Ն Կ
ՀԱՅԱՍՏԱՆԻ ՀԱՆՐԱՊԵՏՈՒԹՅԱՆ ՍՅՈՒՆԻՔԻ ՄԱՐԶԻ ԱՐԵՎԻՍԻ ԳՅՈՒՂԱԿԱՆ ՀԱՄԱՅՆՔԻ ՎԱՐՉԱԿԱՆ ՍԱՀՄԱՆՆԵՐՈՒՄ ԳՏՆՎՈՂ` ՊԵՏԱԿԱՆ ՍԵՓԱԿԱՆՈՒԹՅՈՒՆ ՀԱՆԴԻՍԱՑՈՂ ՀՈՂԵՐԻՑ ԱՐԵՎԻՍԻ ԳՅՈՒՂԱԿԱՆ ՀԱՄԱՅՆՔԻՆ ԱՆՀԱՏՈՒՅՑ ՓՈԽԱՆՑՎՈՂ ՀՈՂԵՐԻ
|
Հայաստանի Հանրապետության |
Մ. Թոփուզյան |
|
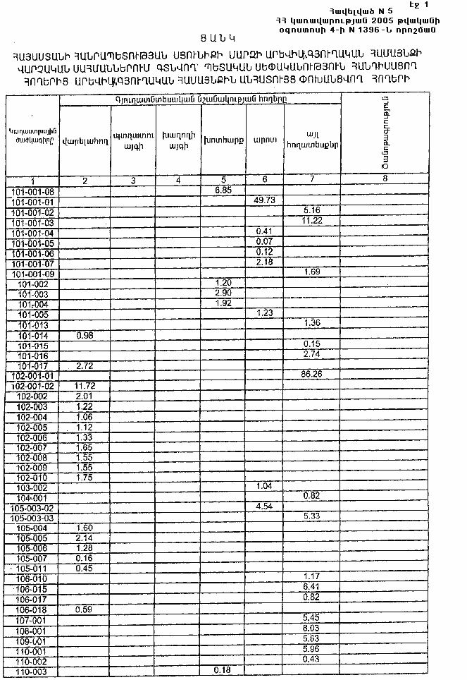
Հավելված N 5 |
Ց Ա Ն Կ
ՀԱՅԱՍՏԱՆԻ ՀԱՆՐԱՊԵՏՈՒԹՅԱՆ ՍՅՈՒՆԻՔԻ ՄԱՐԶԻ ԱՐԵՎԻՍԻ ԳՅՈՒՂԱԿԱՆ ՀԱՄԱՅՆՔԻ ՎԱՐՉԱԿԱՆ ՍԱՀՄԱՆՆԵՐՈՒՄ ԳՏՆՎՈՂ` ՊԵՏԱԿԱՆ ՍԵՓԱԿԱՆՈՒԹՅՈՒՆ ՀԱՆԴԻՍԱՑՈՂ ՀՈՂԵՐԻՑ ԱՐԵՎԻՍԻ ԳՅՈՒՂԱԿԱՆ ՀԱՄԱՅՆՔԻՆ ԱՆՀԱՏՈՒՅՑ ՓՈԽԱՆՑՎՈՂ ՀՈՂԵՐԻ
|
Հայաստանի Հանրապետության |
Մ. Թոփուզյան |
|
Հավելված N 6 |
Ց Ա Ն Կ
ՀԱՅԱՍՏԱՆԻ ՀԱՆՐԱՊԵՏՈՒԹՅԱՆ ՍՅՈՒՆԻՔԻ ՄԱՐԶԻ ԱՐԵՎԻՍԻ ԳՅՈՒՂԱԿԱՆ ՀԱՄԱՅՆՔԻ ՎԱՐՉԱԿԱՆ ՍԱՀՄԱՆՆԵՐՈՒՄ ԳՏՆՎՈՂ` ՊԵՏԱԿԱՆ ՍԵՓԱԿԱՆՈՒԹՅՈՒՆ ՀԱՆԴԻՍԱՑՈՂ ՀՈՂԵՐԻՑ ԱՐԵՎԻՍԻ ԳՅՈՒՂԱԿԱՆ ՀԱՄԱՅՆՔԻՆ ԱՆՀԱՏՈՒՅՑ ՓՈԽԱՆՑՎՈՂ ՀՈՂԵՐԻ (ԸՍՏ ՆՊԱՏԱԿԱՅԻՆ ՆՇԱՆԱԿՈՒԹՅԱՆ)
|
Հայաստանի Հանրապետության |
Մ. Թոփուզյան |
|
Հավելված N 7 |
Ց Ա Ն Կ
ՀԱՅԱՍՏԱՆԻ ՀԱՆՐԱՊԵՏՈՒԹՅԱՆ ՍՅՈՒՆԻՔԻ ՄԱՐԶԻ ԱՐԵՎԻՍԻ ԳՅՈՒՂԱԿԱՆ ՀԱՄԱՅՆՔԻ ՎԱՐՉԱԿԱՆ ՍԱՀՄԱՆՆԵՐՈՒՄ ԳՏՆՎՈՂ` ՊԵՏԱԿԱՆ ՍԵՓԱԿԱՆՈՒԹՅՈՒՆ ՀԱՆԴԻՍԱՑՈՂ ՀՈՂԵՐԻ (ԸՍՏ ՆՊԱՏԱԿԱՅԻՆ ՆՇԱՆԱԿՈՒԹՅԱՆ)
|
Հայաստանի Հանրապետության |
Մ. Թոփուզյան |
|
Հավելված N 8 |
Հ Ա Շ Վ Ե Տ Վ ՈՒ Թ Յ ՈՒ Ն
ՀԱՅԱՍՏԱՆԻ ՀԱՆՐԱՊԵՏՈՒԹՅԱՆ ՍՅՈՒՆԻՔԻ ՄԱՐԶԻ ԱՐԵՎԻՍԻ ԳՅՈՒՂԱԿԱՆ ՀԱՄԱՅՆՔԻ ՀՈՂԱՅԻՆ ՖՈՆԴԻ ԱՌԿԱՅՈՒԹՅԱՆ ԵՎ ԲԱՇԽՄԱՆ ՄԱՍԻՆ
|
Հայաստանի Հանրապետության |
Մ. Թոփուզյան |
|
Հավելված N 9 |
ՀԱՅԱՍՏԱՆԻ ՀԱՆՐԱՊԵՏՈՒԹՅԱՆ ՍՅՈՒՆԻՔԻ ՄԱՐԶԻ ԱՐԵՎԻՍԻ ԳՅՈՒՂԱԿԱՆ ՀԱՄԱՅՆՔԻ ՈՌՈԳՎՈՂ ՀՈՂԵՐԻ ԱՌԿԱՅՈՒԹՅԱՆ ԵՎ ԲԱՇԽՄԱՆ ՄԱՍԻՆ
|
Հայաստանի Հանրապետության |
Մ. Թոփուզյան |